
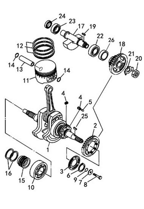
Crankshaft & Piston SC1975E07
UGC
Prix d'origine
$2.99
-
Prix d'origine
$484.99
Prix d'origine
$2.99
$2.99
-
$484.99
Prix actuel
$2.99
Fitment:
HISUN Sector 750
Bad Boy Bandit 750
Coleman UT750